欢迎光临工业插头插座厂家官方网站!

暗装直座

  • CEE-334/344

CEE-334/344

  • 014.jpg

    电       流   Current(A): 63A/125A

    电       压   Voltage(V):  380-415V~

    极       数   No. of poles: 3P+E

    防护等级  Protection degree: IP44


333.png


63Amp

125Amp

Poles

3

4

5

3

4

5

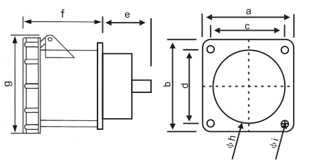
a×b

100

100

100

120

120

120

c×d

80

80

80

100

100

100

e

54

54

54

68

68

68

f

84

84

84

90

90

90

g

113

113

113

126

126

126

h

70

70

70

85

85

85

i

7

7

7

7

7

7

Wire flexible [mm²]

6-16

16-50


友情链接: 浙ICP备20241089162222号 CEE工业插座箱 工业插头插座厂家